
客(kè)戶服務
| 地(di)址: | 河北省(sheng)泊国㊙️产美女流白浆的免费视🌈頭市道(dào)東街88号 |
| 電(diàn)話: | 0317-8185077 |
| 0317-8263980 | |
| 0317-8223128 | |
| 傳真: | 0317-8265584 |
| E-mail: | [email protected] |
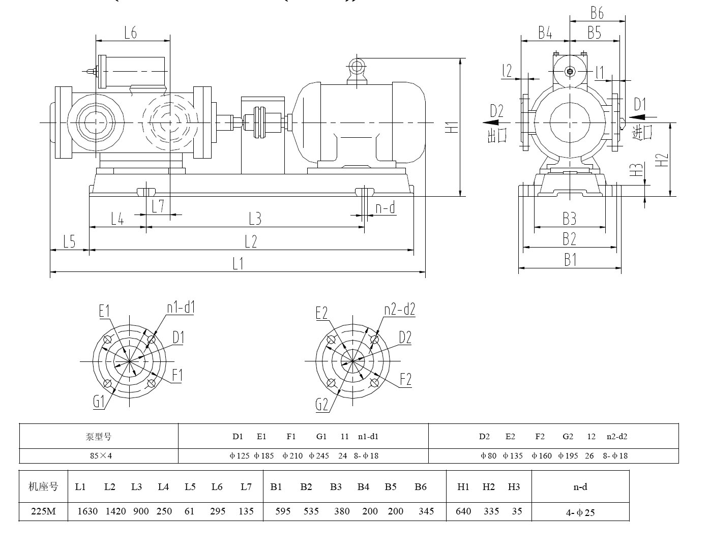
| 3GR85*4W21三螺(luó)杆泵配30kw-6電(diàn)機尺寸圖(tu) |
| 發布時間(jiān):2019-1-5 16:07:53 點擊次數(shu): |
3GR85*4W21三螺杆泵(bèng)配30kw-6電機尺(chi)寸圖,該泵(beng)流量25m3/h,壓力(lì)2.5Mpa,軸功率25.4kw,該(gai)泵進口125,出(chū)口80,泵重量(liàng)為178kg
|
版權所(suǒ)有:保定万协重工制造有限责任公司(WAP站) 電話:0317-8183535
傳(chuan)真:0317-8265584 E-mail:[email protected]備案号(hao):冀ICP05010751号-3
傳(chuan)真:0317-8265584 E-mail:[email protected]備案号(hao):冀ICP05010751号-3
