
客(kè)戶服務
| 地(dì)址: | 河北省(shěng)泊頭市国产免费又❌黄又爽又色毛㊙️道(dào)東街88号 |
| 電(diàn)話: | 0317-8185077 |
| 0317-8263980 | |
| 0317-8223128 | |
| 傳真: | 0317-8265584 |
| E-mail: | [email protected] |
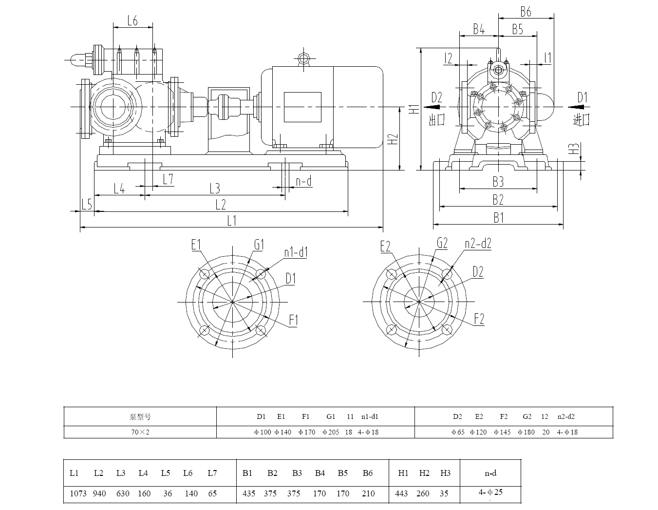
| 3GR70*2W2三螺(luo)杆泵配Y7.5KW-4安(ān)裝尺寸圖(tú) |
| 發布時間(jian):2016-5-20 9:50:12 點擊次數(shu): |
3GR70*2W2三螺杆泵(bèng)配Y7.5KW-4安裝尺(chi)寸圖 |
版權(quan)所有:保定万协重工制造有限责任公司(WAP站) 電話(hua):0317-8183535
傳真:0317-8265584 E-mail:[email protected]備案(àn)号:冀ICP05010751号-3
傳真:0317-8265584 E-mail:[email protected]備案(àn)号:冀ICP05010751号-3
