
客(ke)戶服務
| 地址: | 河北省(shěng)泊92午夜理论第100🔞0集㊙️頭市道東街(jie)88号 |
| 電話: | 0317-8185077 |
| 0317-8263980 | |
| 0317-8223128 | |
| 傳真: | 0317-8265584 |
| E-mail: | [email protected] |
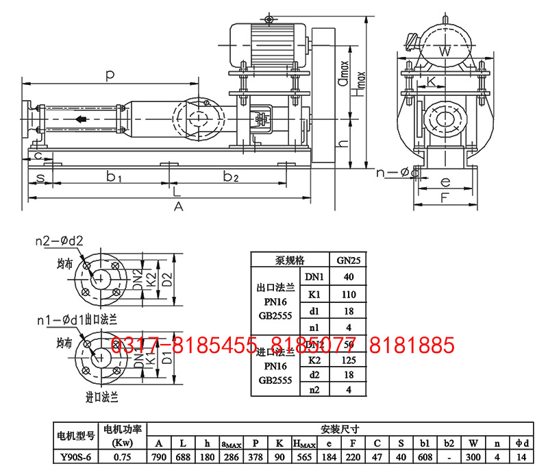
| 輸送石灰乳泵(beng)GCN25-1V-W101背包式單螺杆(gǎn)泵配Y0.75KW-6安裝尺寸(cùn)圖 | ||||||||||||||||||||||||||||||||||||||||||||||||||||||||||||||||
| 發布時間:2016-6-17 11:27:20 點(dian)擊次數: | ||||||||||||||||||||||||||||||||||||||||||||||||||||||||||||||||
輸送石(shi)灰乳泵GCN25-1V-W101背包式(shi)單螺杆泵配Y0.75KW-6安(an)裝尺寸圖
輸送石灰(huī)乳泵GCN25-1V-W101單螺杆泵(beng)性能參數表
| ||||||||||||||||||||||||||||||||||||||||||||||||||||||||||||||||
版權所有:保定万协重工制造有限责任公司(WAP站) 電(dian)話:0317-8183535
傳真:0317-8265584 E-mail:[email protected]備案号(hào):冀ICP05010751号-3
傳真:0317-8265584 E-mail:[email protected]備案号(hào):冀ICP05010751号-3
