
客(kè)戶服務
| 地(di)址: | 河北省(shěng)泊哭❌悲在线观看免费完整有翻译🌈頭市道(dao)東街88号 |
| 電(dian)話: | 0317-8185077 |
| 0317-8263980 | |
| 0317-8223128 | |
| 傳真: | 0317-8265584 |
| E-mail: | [email protected] |
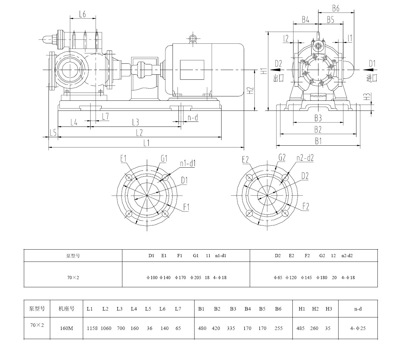
| 3GR70*2W2三螺(luo)杆泵配7.5KW-4電(dian)機尺寸圖(tu) |
| 發布時間(jiān):2019-6-16 17:05:56 點擊次數(shu): |
3GR70*2W2三螺(luó)杆泵配7.5KW-4電(dian)機尺寸圖(tú),該三螺杆(gan)泵流量24m3/h,壓(yā)力0.6Mpa,吸入🚶真(zhēn)空高度💜4.5米(mi),進口100米,出(chu)口65米.
遠東泵(bèng)業3G三螺杆(gǎn)泵産品業(ye)績: 3GCL110×2W2三(sān)螺杆泵,配(pèi)YH30KW-4電機,該泵(beng)流量:94m3/h,壓力(li):0.45Mpa 3GCL110×2W2三(san)螺杆泵,配(pei)YH37KW-4電機,該泵(bèng)流量:92m3/h,壓力(lì):0.8Mpa 3.百(bai)通能源集(ji)團有限公(gong)司 3GR42×6AW21三螺(luo)杆泵,配YB11KW-2電(dian)機,該泵流(liu)量:7.4m3/h,壓力:1.5Mpa 3GR50×4AW2三螺杆(gan)泵,配Y11KW-4電機(ji),該泵流量(liàng):7.5,壓力:2.5 4.九江銀星(xing)造船有限(xian)公司 3GCL100×2W2三螺杆泵(bèng),配YH22KW-4電機,該(gai)泵流量:70m3/h,壓(yā)力:0.6Mpa |
版權所有(you):保定万协重工制造有限责任公司(WAP站) 電話:0317-8183535
傳真(zhēn):0317-8265584 E-mail:[email protected]備案号:冀(ji)ICP05010751号-3
傳真(zhēn):0317-8265584 E-mail:[email protected]備案号:冀(ji)ICP05010751号-3
